產品中心
Product Center
聯系我們
廈門科昊自動化有限公司
電 話:0592-3191333
聯系電話:13606082135(微信同號,備注“科昊儀表”)
傳 真:0592-3265129
網 址:www.sdxinyi100.com
公司地址:廈門市湖里區火炬高新區創業園偉業樓南樓S305E
KH系列可控硅移相觸發模塊

KH系列可控硅移相觸發模塊適用于各類單相220V、三相380V負載的連續調壓。無需外接同步變壓器,可以接受儀表的標準控制信號,也可以外接電位器手動調節。
| 一、主要技術指標 | 二、型號說明 |
|
輸入信號:0-5V、4-20mA或外接電位器
電源電壓:220V±10%
功 耗:<3W
移相范圍:≤180º
觸發容量: ≤800A的可控硅
|
![]() |
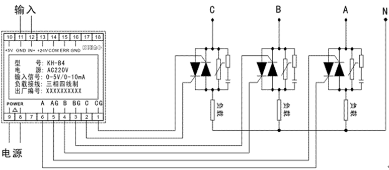
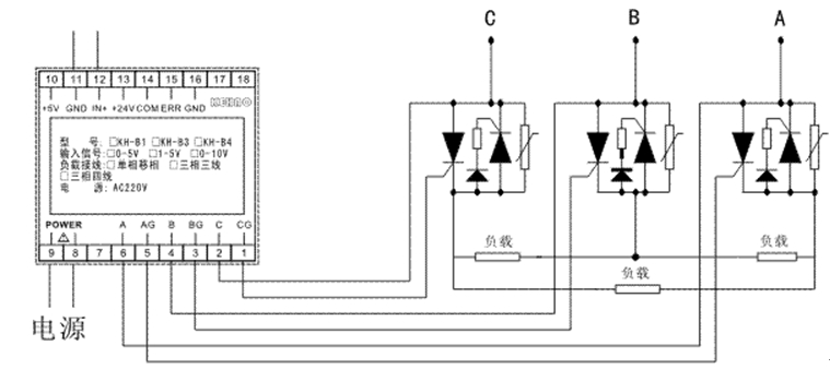
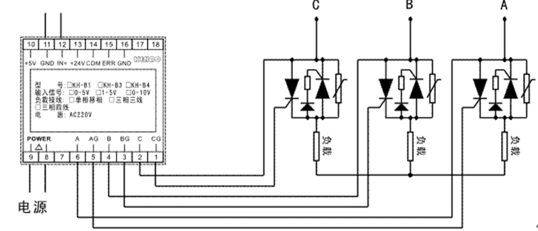
三.接線圖

KH-B1 單相移相接線圖

KH-B4 三相四線制接線圖

KH-B3 三相三線制三角型接法接線圖

KH-B3 三相三線制星型接法接線圖

下一篇:KHMPM/S三相組合電力儀表
推薦產品:
![]() |
| 福祿克儀表在KHP300壓 |
![]() |
| 4-20MA信號輸入的無紙 |
![]() |
| 溫濕度記錄儀在食品存 |
![]() |
| KH800G無紙溫度記錄儀 |
![]() |
| KH104溫控器在封口機 |
![]() |
| 廈門科昊自動化經銷FO |
![]() |
| KH5KW電控柜功能及配 |
![]() |
| 特寶電力監控系統需求 |
![]() |
| 特寶電力監控系統主要 |











